Единица измерения | м |
Материал корпуса | Алюминий |
Способ монтажа | Встраиваемый с накладным фланцем |
Назначение | Для прямоугольных светильников |
Форма (сечение) | С фланцем |
Цвет покрытия | Серебристый |
Тип товара | Профиль |
Модельный ряд | SL-LINIA |
КПД профиля (cветовой) | 74 % |
Рассеиваемая тепловая мощность на 1м | max: 39.4 W |
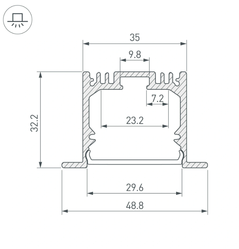
Ширина световой линии | 29.6 мм |
Внешний вид поверхности | Матовая |
Покрытие поверхности | Анодирование |
Длина | 2000 мм |
Ширина | 49 мм |
Высота | 32 мм |
Ширина площадки | 23.2 мм |
Глубина установки источника света | 23.54 мм |
