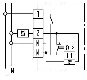
Терморегулятор Eberle RTR-E 6163 со встроенным датчиком температуры воздуха применяется для управления электрическими системами отопления. Выключатель сети. Режим обогрева. Настенный монтаж. Цвет белый RAL 9010. Удобное расположение клемного ряда для быстрого и правильного монтажа. Возможность ограничения температурного диапазона на внутренней стороне регулировочного диска.
Технические характеристики терморегулятора RTR-E 6163
Диапазон температур от 5oC до 30oC
Рабочее напряжение 230 В АС 50/60 Гц
Коммутируемый ток 10 мА-16(4) А
Ночная температура нет
Гистерезис ~0,5oC
Выключатель Сеть Вкл./Выкл.
Индикатор нет
Класс защиты IP 30
Специальные возможности нет
Габаритные размеры 75x75x25,5 мм
